Skip to main content

41 echo chainsaw parts diagram

ECHO PARTS - ECHO CHAINSAW PARTS - CS-7310 - Page 1 ... sku: SAH0679E. 28" .050 Tsumura Chainsaw Bar Fits Echo Cs-7310, 423FV4. Tsumura Professional manufactured with High Grade Japanese Steel, with Replaceable Tip Item: Tsumura Bar Pn: 423FV4 Pitch: 3/8 Bar Length: 28" Bar Groove Gauge: .050 Drivers: 92 Model Fit: Echo... MSRP: Echo CS-2600 Chainsaw (CS2600) Parts Diagram Echo CS-2600 Chainsaw (CS2600) Parts Diagram. Select a page from the Echo CS-2600 Chainsaw diagram to view the parts list and exploded view diagram. All parts that fit a Echo CS-2600 Chainsaw.

Echo - Chainsawr — Chainsaw Parts Online We have a good variety of used echo chainsaw parts. Especially for older models. Like cs-451 cs-452 cs-302 and others. Also the John Deere equivalents of these saws like the model 50v, 60v and others. Used John Deere chainsaw parts on hand too.

Echo chainsaw parts diagram

Echo chainsaw parts diagram

CS-3400 - Echo Chainsaw Parts Lookup with Diagrams - PartsTree CS-3400 - Echo Chainsaw. Parts Lists & Diagrams. Chainsaw (Type 1) Echo Chainsaw: Model CS-400EVL Parts & Repair Help ... Echo Chainsaw Model CS-400EVL Parts. Echo Chainsaw Model CS-400EVL Parts are easily labeled on this page to help you find the correct component for your repair. Filter results by category, title and symptom. You can also view diagrams and manuals, review common problems that may help answer your questions, watch related videos, read insightful articles or use our repair help guide to get started. Echo Chainsaw: Model CST-610EVL Parts & Repair Help ... Echo Chainsaw Model CST-610EVL Parts. Echo Chainsaw Model CST-610EVL Parts are easily labeled on this page to help you find the correct component for your repair. Filter results by category, title and symptom. You can also view diagrams and manuals, review common problems that may help answer your questions, watch related videos, read insightful articles or use our repair help guide to get ...

Echo chainsaw parts diagram. Echo CS-452VL Parts Diagrams - Jacks Small Engines Echo CS-452VL Parts Diagrams Air Cleaner, Ignition, Starter Carburetor Chain Brake, Guide Bar Clutch Engine, Intake, Exhaust, Crankcase Fuel System, Auto-Oiler Hand Guard S/N: 023442 - 999999 Handles S/N: 000000 - 0230441 Handles S/N: 023442 - 999999 Labels Tools JavaScript Disabled - Unable to show Cart Echo Parts Diagram Indexes Echo Product Category: Parts Diagrams Available: (On-Line,On-Request) Blowers Back Pack (PB) (5472,1394) Blowers Hand Held (PB) (1255,811) Chainsaws: Electric Chainsaw (ECS) (0,2) Chainsaws: Chainsaws Twin Cylinder (CST) (0,5) Chainsaws Chainsaws (CS) (929,2642) Chipper Shredder: Chipper Shredder (SH) (0,89) ECHO Power Equipment and Tools | ECHO-USA.com ECHO PRESENTS powerful products. powerful people. See how ECHO empowers pros to tackle the toughest jobs and power their passions. FLEET MEMBER BENEFITS DEDICATED TO PROS. Join the most powerful landscaper fleet program. Things are better as an ECHO Fleet Member. Save up to 20% off select ECHO and Shindaiwa products and accessories, get ... ECHO CS-510 Chainsaw Parts Diagram SN 04001001-04999999 ECHO CS-510 Parts for serial number 04001001-04999999 available online and ready to ship direct to your door. Our parts diagrams are a great resource for ECHO Chainsaw parts lookup. These illustrated parts diagrams include top repair parts like carburetors, trimmer heads, throttle triggers and primer bulbs for the ECHO CS-510 Chainsaw.

Echo parts lookup, echo chainsaw | Echo Parts Online Are you looking for Echo Parts for Outdoor Equipment? Echo Parts Online supplies the best OEM replacement parts for outdoor equipment. From the manufacturer, we bring you genuine parts that will fit and extend its lifespan. Keep your Echo weed eater at peak performance. Check out our product sections. We have from batteries, blades, filters, carburetors to chainsaw bars & chains. We also offer a huge variety of original Echo chainsaw, blower and trimmer parts. Echo Parts for Trimmers. Leaf Blowers Edgers. Chainsaws ... Echo Parts, Trimmers, Leaf Blowers, Edgers, Chainsaws, Sprayers, Genuine OEM Replacement Parts. We just don't sell parts for Echo, we have been repairing and servicing outdoor power equipment for over 35 years. We are also an Echo Outdoor Power Equipment "Signature Elite Dealer". Use our parts diagram below to find your Echo parts fast. Echo CS-280E Parts List Manual - Chainsaw Workshop Manuals This is the Echo 280E parts list manual. A full workshop service manual and carburetor manual is also available from this website. Model number CS-280E. It is in a pdf format which contains clear exploded diagrams to help you quickly find all parts of your Echo 280E chainsaw. Contents of Echo CS-280E Parts List Manual: Echo Spare Parts Manuals - All Mower Spares Echo Chainsaw: CS-260TES: Echo Chainsaw: CS-290EVL: Echo Chainsaw: CS-309ES: Echo Chainsaw: CS-310ES: Echo Chainsaw: CS-351WES: Echo Chainsaw: CS-360TES: Echo Chainsaw: CS-420ES: Echo Chainsaw: CS-510: Echo Chainsaw: CS-590: Echo Chainsaw: CS-600: Echo Chainsaw: CS-660EVL: Echo Chainsaw: CS-670: Echo Chainsaw: CS-2700ES: Echo Chainsaw: CS-5100: Echo Chainsaw: CS-6702: Echo Chainsaw: CS-8001: Echo Engine Drill

Echo Chainsaws Parts with Diagrams - PartsTree Echo Chainsaws ( 110 Models ) CCS-58V (107174001) - Echo Chainsaw Parts, 58V Battery, Revision 12 (2019-02) CCS-58V (107174001) - Echo Chainsaw Parts, 58V Battery, Revision 14 (2020-01) CS-60S - Echo Chainsaw Parts. Variations. Select Model Variant SN: 001001 - 059500 SN: 059501 - 999999. CS-60S - Echo Chainsaw Parts. Echo Chainsaw Parts | Fast Shipping | eReplacementParts.com Popular Echo Chainsaw Parts Fuel Filter Part Number: A369000480 In Stock, 25+ available This is an OEM part sourced directly from the manufacturer. The fuel filter helps to take out all the impurities and debris that could be harmful to the carburetor. This filter is most commonly used in trimmers, shredders, blowers, edgers and chainsaws. echo illustrated parts diagram - Saw Again ECHO PARTS DIAGRAMS (PRODUCTS/SERIAL NUMBERS) Chainsaws. CS-260 CS-271T CS-280E CS-280EP CS-290EVL P CS-300 CS-301 CS-302 CS-303T CS-305. CS-306 CS-310 CS-315 CS-330T CS-340 CS-341 CS-345 CS-346 CS-351VL CS-352 CS-355T. CS-360T CS-361P CS-370ES CS-370 CS-400 CS-440 CS-450 CS-451VL CS-490 CS-500P. CS-501P CS-510 CS-520 CS-550P CS-590 CS-600P CS-620P ... Echo CS-3400 Chainsaw Parts and Diagrams - DIY Spare Parts Echo CS-3400 Chainsaw Echo CS-3400 Chainsaw Parts and Diagrams Use our interactive exploded view diagrams to easily identify the parts that fit your machine, select a popular part, or view the complete list of all parts that fit a Echo CS-3400 Chainsaw. Popular for this machine Echo Filter. Air 13031039132 £10.66

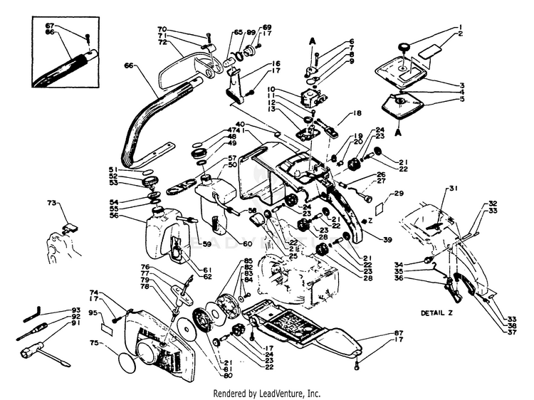
CS-400 Chain Saw

CS-400 Chain Saw

OEM Echo Chainsaw Parts [CS-302] | Repair Videos ... Shop for Echo Chainsaw CS-302 repair parts today! Find parts by name, location or by symptoms like chain comes off guide bar & will not start.

Echo | Chainsawr

Echo | Chainsawr

Echo CS-590 Chainsaw Parts Diagrams - OManuals.com Echo CS-590 Chainsaw Parts Diagrams for Echo CS-590 Timber Wolf Chainsaw. This parts catalog has part list for Echo CS590 chainsaw. Easy to read diagrams provide part names and Echo part numbers. This is the manual for Echo chainsaw parts list. For additional information see the Echo CS590 Timber Wolf chainsaw manual. .

Echo CS-501SX Parts List Manual - CWM

Echo CS-501SX Parts List Manual - CWM

Parts Lookup - CHAINSAWS - Page 1 - Echo Parts Online CS-400F SN C27812001001 - C27812999999 - Intake, Air Filter Parts lookup. Parts lookup and diagram for your Echo CS-400F (5) SN C27812001001 - C27812999999 Intake, Air Filter. Best Price of the market and Premium Support. View Details.

Echo CS-3050 Chainsaw (CS3050) Parts Diagram, Page 7

Echo CS-3050 Chainsaw (CS3050) Parts Diagram, Page 7

Echo Chainsaw | CS-300 | eReplacementParts.com Echo CS-300 (03001001 - 03999999) Chainsaw Parts We Sell Only Genuine Echo Parts Fuel Filter $4.73 Add to Cart Spark Plug $2.99 Add to Cart Fuel Tank Vent $6.74 Add to Cart Vent Tube $2.99 Add to Cart Purge Bulb $6.01 Add to Cart Bevel Gear $6.80 Add to Cart Flange Nut $2.99 Add to Cart Bevel Gear $6.80 Add to Cart Search within model

CS-400 - Echo Chainsaw (SN: C08111001001 - C08111999999 ...

CS-400 - Echo Chainsaw (SN: C08111001001 - C08111999999 ...

Echo CS-3510 Parts List Manual - Chainsaw Workshop Manuals This is the Echo 3510 parts list manual. A workshop service manual and carburetor manual is also available from this website. Chainsaw Model number Echo 3510. It is in a pdf format which contains clear exploded diagrams to help you quickly find all parts of your Echo CS-3510 chainsaw. Contents of Echo CS-3510 Parts List Manual

Echo CS-3900 Chainsaw (CS3900) Parts Diagram, Page 1

Echo CS-3900 Chainsaw (CS3900) Parts Diagram, Page 1

Echo CS-330EVL Parts Diagrams - Jacks Small Engines Echo CS-330EVL Parts Diagrams SWIPE SWIPE Carburetor II Carburetor, Fuel System, Handles, Intake, Oil Tank, Starter Engine,Exhaust,Ignition,Clutch,Drive Chain Brake,Cutting Attachment JavaScript Disabled - Unable to show Cart Parts Lookup - Enter a part number or partial description to search for parts within this model.

Echo CS-271T, CS-310, CS-3510, CS-352, CS-490, CS-4910, CS-500P, CS-501P,  Shindaiwa 305s, 340s, 491s, 492 Throttle Trigger, (Fig No. 12) New Oem ...

Echo CS-271T, CS-310, CS-3510, CS-352, CS-490, CS-4910, CS-500P, CS-501P, Shindaiwa 305s, 340s, 491s, 492 Throttle Trigger, (Fig No. 12) New Oem ...

Echo Chainsaw Parts Diagram | Echo Chainsaw Bar | PSEP.biz FOR ECHO / SHINDAIWA ORIGINAL EQUIPMENT PARTS WITH PARTS LOOKUP DIAGRAMS, PLEASE READ BELOW BEFORE CLICKING ON THE DIAGRAM. The parts lookup website ( ) is original equipment parts only. This website ( ) has aftermarket and OEM mix on the most common parts.

Buy A Dewalt DW936 XRP3 CHARGER 240V, UK 572576-00 Spare Part Type 1

Buy A Dewalt DW936 XRP3 CHARGER 240V, UK 572576-00 Spare Part Type 1

ECHO CS-271T Chainsaw Parts Diagram SN C21112001001 ... ECHO CS-271T Parts for serial number C21112001001-C21112999999 available online and ready to ship direct to your door. Our parts diagrams are a great resource for ECHO Chainsaw parts lookup. These illustrated parts diagrams include top repair parts like carburetors, trimmer heads, throttle triggers and primer bulbs for the ECHO CS-271T Chainsaw.

ECHO CS-670 Parts Diagram SN 04001001-04999999

ECHO CS-670 Parts Diagram SN 04001001-04999999

PDF CS-400 Chain Saw - ECHO USA ©2014 ECHO, Incorporated. All Rights Reserved REVISED 08/18/14 P/N 99922200830 40.2 cc SERIAL NUMBER NÚMERO DE SERIE C09212001001 - C09212999999 PARTS CATALOG LISTA DE PIEZAS CS-400 Chain Saw CS-400 MOTOSIERRA ECHO, INCORPORATED 400 Oakwood Road, Lake Zurich, Illinois 60047 Accessories for ECHO products can be found at:

IPL, Qualcast, PC 40, 967198801, 967198802, 2013-01, Chain Saw

IPL, Qualcast, PC 40, 967198801, 967198802, 2013-01, Chain Saw

Echo Illustrated Part Lists | Chainsawr Echo Illustrated Part Lists 2009-06-03. For more information about your chainsaw, and to locate the dealer nearest you visit Your friendly, local dealer is always the best source for new parts and service work.

Echo CS-306 C09413001001-C09413999999 Chain Saw Starter Parts ...

Echo CS-306 C09413001001-C09413999999 Chain Saw Starter Parts ...

Echo Chainsaw: Model CST-610EVL Parts & Repair Help ... Echo Chainsaw Model CST-610EVL Parts. Echo Chainsaw Model CST-610EVL Parts are easily labeled on this page to help you find the correct component for your repair. Filter results by category, title and symptom. You can also view diagrams and manuals, review common problems that may help answer your questions, watch related videos, read insightful articles or use our repair help guide to get ...

CS-310 - Echo Chainsaw (SN: C04612001001 - C04612999999 ...

CS-310 - Echo Chainsaw (SN: C04612001001 - C04612999999 ...

Echo Chainsaw: Model CS-400EVL Parts & Repair Help ... Echo Chainsaw Model CS-400EVL Parts. Echo Chainsaw Model CS-400EVL Parts are easily labeled on this page to help you find the correct component for your repair. Filter results by category, title and symptom. You can also view diagrams and manuals, review common problems that may help answer your questions, watch related videos, read insightful articles or use our repair help guide to get started.

Echo Chainsaw | CS-490 | eReplacementParts.com

Echo Chainsaw | CS-490 | eReplacementParts.com

CS-3400 - Echo Chainsaw Parts Lookup with Diagrams - PartsTree CS-3400 - Echo Chainsaw. Parts Lists & Diagrams. Chainsaw (Type 1)

Parts Lookup - CHAINSAWS - CS-590 - Page 1 - ECHO PARTS ONLINE

Parts Lookup - CHAINSAWS - CS-590 - Page 1 - ECHO PARTS ONLINE

CS-330T - Echo Chainsaw (SN: C08611001001 - C08611999999 ...

CS-330T - Echo Chainsaw (SN: C08611001001 - C08611999999 ...

Echo CS-3450 Type 1E Chainsaw - PartsWarehouse

Echo CS-3450 Type 1E Chainsaw - PartsWarehouse

Echo CS-400EVL Chainsaw - PartsWarehouse

Echo CS-400EVL Chainsaw - PartsWarehouse

Echo 59.8cc Chainsaw | CS-600P | eReplacementParts.com

Echo 59.8cc Chainsaw | CS-600P | eReplacementParts.com

Echo CS-310 S/N: C04713001001 - C04713999999 Parts Diagram ...

Echo CS-310 S/N: C04713001001 - C04713999999 Parts Diagram ...

P021007312 Genuine Echo / Shindaiwa Chainsaw Chain Brake Fits CS-8002  CS-800P | eBay

P021007312 Genuine Echo / Shindaiwa Chainsaw Chain Brake Fits CS-8002 CS-800P | eBay

Echo Chainsaw | CS-305 | eReplacementParts.com

Echo Chainsaw | CS-305 | eReplacementParts.com

OEM Genuine Echo 43301638330 Chain Saw Tensioner/Adjuster Screw for CS-440  CS-4400 + (Free Two e-Books)

OEM Genuine Echo 43301638330 Chain Saw Tensioner/Adjuster Screw for CS-440 CS-4400 + (Free Two e-Books)

ECHO CS-400 Chainsaw Parts Diagram SN C09011001001-C09011999999

ECHO CS-400 Chainsaw Parts Diagram SN C09011001001-C09011999999

Echo Cs 590 Flash Sales, 55% OFF | www.vexi.cat

Echo Cs 590 Flash Sales, 55% OFF | www.vexi.cat

ECHO CS-280E PARTS CATALOG Pdf Download | ManualsLib

ECHO CS-280E PARTS CATALOG Pdf Download | ManualsLib

ECHO CS-620PW Chainsaw 59.8cc, Pro Series with 20

ECHO CS-620PW Chainsaw 59.8cc, Pro Series with 20" bar and full wrap handle

Echo CS-352 Parts List Manual - CWM

Echo CS-352 Parts List Manual - CWM

Cub Cadet Parts Diagrams, Cub Cadet RZT-S50 (2013 ...

Cub Cadet Parts Diagrams, Cub Cadet RZT-S50 (2013 ...

Parts Lookup - CHAINSAWS - CS-490 - Page 1 - ECHO PARTS ONLINE

Parts Lookup - CHAINSAWS - CS-490 - Page 1 - ECHO PARTS ONLINE

Echo CS-3450 Type 1E Chainsaw - PartsWarehouse

Echo CS-3450 Type 1E Chainsaw - PartsWarehouse

Echo CS-350TES Parts Diagrams

Echo CS-350TES Parts Diagrams

ECHO CS-800P Chainsaw Parts Diagram SN C30812001001-C30812999999

ECHO CS-800P Chainsaw Parts Diagram SN C30812001001-C30812999999

Echo Cs-370, Cs-400 Chain Adjuster Tensioner Assembly ...

Echo Cs-370, Cs-400 Chain Adjuster Tensioner Assembly ...

ECHO CS-370 Chainsaw Parts Diagram SN C06212001001-C06212999999

ECHO CS-370 Chainsaw Parts Diagram SN C06212001001-C06212999999

Echo CS-306 C08411001001-C08411999999 Chain Saw Handle Parts ...

Echo CS-306 C08411001001-C08411999999 Chain Saw Handle Parts ...

Echo Spare Parts Online

Echo Spare Parts Online

Echo CS-590 S/N: 37000001 - 37999999 Parts Diagram for Chain ...

Echo CS-590 S/N: 37000001 - 37999999 Parts Diagram for Chain ...

Pin on stihl 028 av

Pin on stihl 028 av

PARTS CATALOG

PARTS CATALOG

Echo CS-3500 Chainsaw (CS3500) Parts Diagram, Page 5

Echo CS-3500 Chainsaw (CS3500) Parts Diagram, Page 5

Echo CS-2600 Chainsaw (CS2600) Parts Diagram, Page 6

Echo CS-2600 Chainsaw (CS2600) Parts Diagram, Page 6

Comments

Popular posts from this blog

43 force outboard tilt trim diagram

41 drive belt diagram for poulan riding mower

42 2000 dodge durango wiring diagram